Description
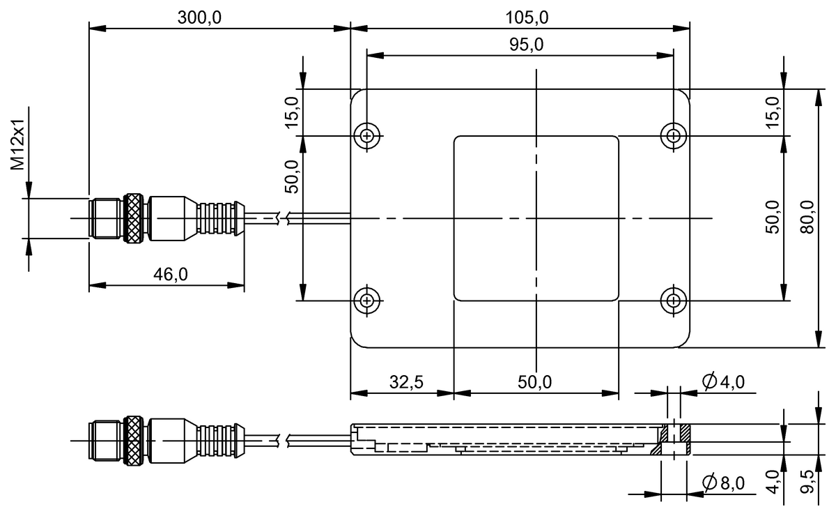
BAE000F (BAE LX-VS-HR050) - Background lights - List price Deutschland: 358,16 EUR - Connection: Cable with connector, M12x1-Male, 4-pin, 0.3 m, Version: Background light, Dimension: 80 x 9.5 x 105 mm, Rated operating voltage Ue DC: 24 V, Current draw max.: 250 mA, Operating mode: Normal (continuous operation), Digital inputs: Trigger, Material: Aluminium anodized, black, Glass, PMMA, Illumination area: 50 x 50 mm, Light type: LED, red light, Wave length: 617 nm, Illuminence (0.1 m): 1250 Lux, Beam angle: 42 ° x 42 °, Ambient temperature: -10...55 °C, Approval/Conformity: CE, UKCA, WEEE, IP rating: IP54
Specifications
Connection
Cable with connector | M12x1-Male | 4-pin | 0.3 m
Version
Background light
Rated operating voltage Ue DC
24 V
Current draw max.
250 mA
Operating mode
Normal (continuous operation)
Digital inputs
Trigger
Material
Aluminium anodized | blackGlassPMMA
Illumination area
50 x 50 mm
Light type
LED | red light
Wave length
617 nm
Illuminence (0.1 m)
1250 Lux
Beam angle
42 ° x 42 °
Ambient temperature
-10...55 °C
Approval/Conformity
CEUKCAWEEE
IP rating
IP54
Manufacturer
Balluff GmbH
Declaration of Compliance
EU-Konformitätserklärung / EU Declaration of Conformity | (All languages)
Manual
BAE LX-VS-H.050 | (German | English)
Taric code
94054990
Substances of concern
Download
Disposal instructions
Download



